Site Map
网站地图
地址:
研发及生产中心:广东省珠海市斗门区七星大道9号
联系电话:
联系电话: 0756-8527111 服务热线: 0756-8633000
本型互感器为环氧树脂全封闭浇注绝缘结构的电压互感器、适用于额定频率为50或60Hz额定电压为20kV及以下的交流电力系统中,作电压测量、电能计量及继电保护之用。
型号说明:
参数表:
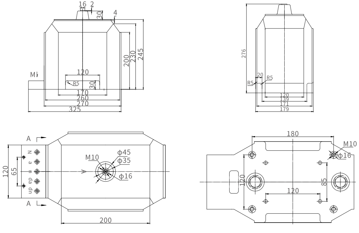
外形尺寸图: