Description:
The type of current transformer is a full en-closed and prop shape product. It is made by outdoor resin. The product has much merit, such as: electric arc resistances,ultraviolet ray and aging resistance long working time,long creepage distance,little par-tial discharge and large caliber of resistance to over- voltage, etc. The primary winding, secondary winding and core are made up together and poured in the cast. The primary winding's terminal, P1 and P2, is on the product, and the secondary winding's terminal, S1 and S2, is leaded out from the hermetic leading-out box under the product.They are used for metering electric energy; voltage control and relay protection in the electric system up to rated frequency 50Hz or 60Hz and rated voltage 24kV The transformers can be executed according to the standards IEC61869-1&3.

Main technical parameter:
Outdoor Cast-resin insulated
Rated Insulation level:24/50/125kV
Voltage in the secondary windings(kVef):3
Creepage distance:775mm
Ambient temperature:-40℃-+40℃
Rated trequency(Hz):50 or 60
Pollution level:IV Ins.Cl.:E

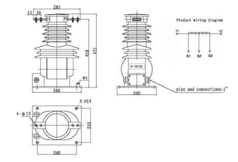
Outline dimension drawing:
