Applicable to underground transformers and conventional pad-mounted transformers, providing connection interfaces for 200A cable joints.
►Characteristics
• Designed in compliance with State Grid standardization requirements. This product is rated for 12KV voltage and 200A current.
• Installation method: Pressure plate mounting.
►Main Electrical Performance

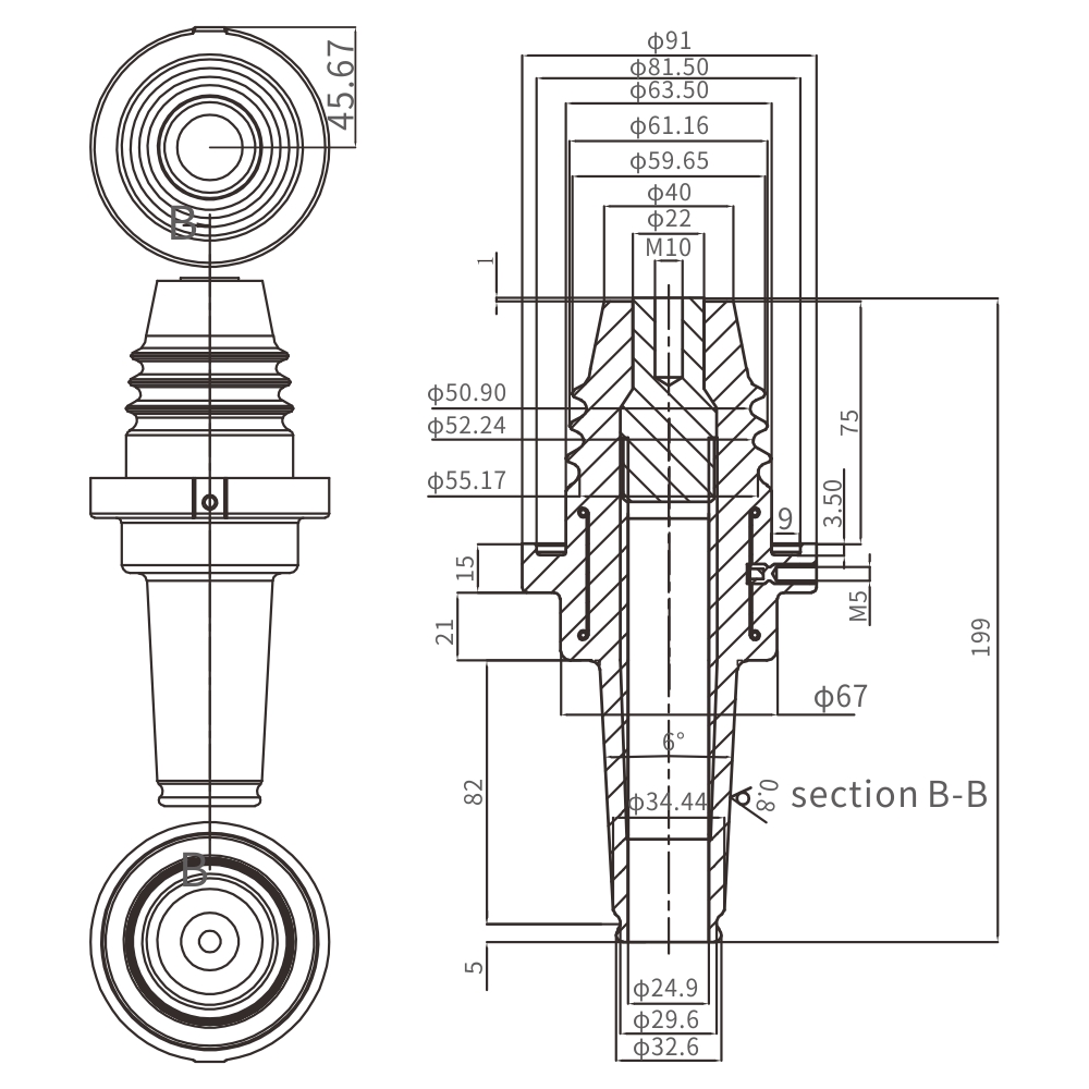
►Dimensions and Figure


