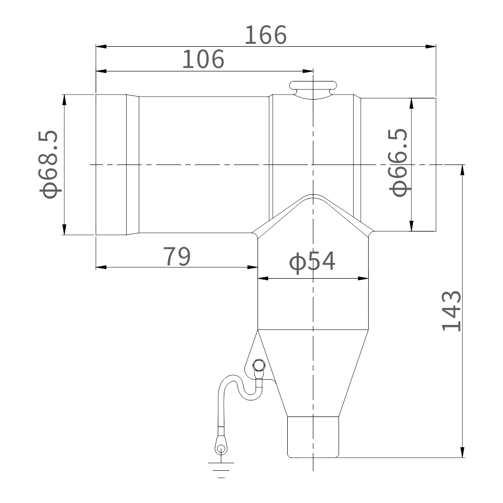
15kV Shielded Mini Front Connector
The 15kV shielded mini front connector is suitable for being combined with PT plugs via cables to form a connection kit, and is applicable to the connection mode of C-type bushing outlet and PT bushing outlet. Its rear end can be expandably connected to a rear plug-in surge arrester. The electrical performance of the product is superior to the national standard. It features simple and convenient plug-in connection and is equipped with a reliable anti-loosening device. A fully sealed and fully shielded structure is formed after installation, ensuring safety, aesthetic appearance and excellent performance.
Features
-Compact structure, better adapting to the design trend of enclosures and having greater cost advantages;
-Effectively solves the problem of electric field stress concentration at high-voltage connection points and the fracture of the cable outer shielding layer;
-Made of high-quality ethylene propylene diene monomer (EPDM) rubber raw materials, with excellent resistance to corona, free discharge and weathering;
-Easy to install with reliable anti-loosening performance;
-Fully insulated, fully sealed and fully shielded.
Model Description

Main Electrical Performance


