Suitable for environmental protection air insulated RMU, one end is sealed in environmental protection air, and the other end can be connected to the front connector.
►Characteristics
-The bushing is designed according to the standard EN 50181, the applicable voltage of this product is 12kV, and the applicable current is 630A;
-The contact point on the flange surface can be directly grounded or connected to the live display to indicate that the bushing is live;
- Recommended live display device sensor capacity is 16-20pF.
►Main Electrical Performance

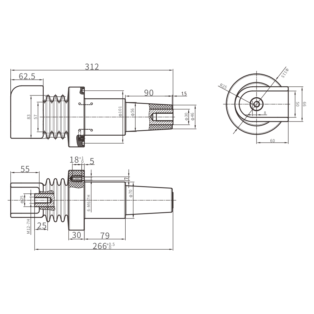
►Dimensions and figure

